首页
园林景观
交通 指示牌
人物植物动物
公园广场
庭院景观
景观小品
度假村
游乐场
居住区景观
室内图库
家具 灯具
工装图库
全屋定制
五金 开关
厨卫设施
屏风隔断
楼梯栏杆
线条罗马柱
背景墙 护墙板
铺装拼花
吊顶
乐器 摆件
门窗 窗帘
雕花 装饰画
制图规范
家装空间
工装空间
公共空间
办公空间
医院
商业空间
酒店民宿
餐饮空间
建筑图纸
公共建筑
别墅自建房
办公建筑
医院建筑
古建筑
商业建筑
大门入口
居住建筑
校园建筑
机电设备
弱电智能化
暖通
消防
电气
给排水
机械图纸
节点详图
室内节点
建筑节点
资料 模板
升级VIP
登录
首页
CAD图纸
园林景观
景观小品
正文
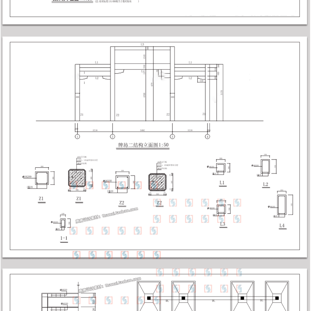
中式仿古牌坊牌楼CAD施工图 四柱牌坊大门入口详图节点图库大样图免费下载
景观小品
声明:本站所有资源,均为互联网公开渠道及本站会员上传所得。本站仅做网站管理维护。如若本站内容侵犯了原著者的合法权益,可联系我们进行处理。
牌坊cad
牌楼CAD
分享
收藏
点赞(
0
)
相关推荐
中式别墅院子大门屏风隔断门头窗户cad图块牌楼花格雕花牌坊图库免费下载
中式仿古牌坊牌楼CAD施工图 四柱牌坊大门入口详图节点图库大样图免费下载
免费下载
下载权限:
本站VIP会员
软件|AutoCAD/天正CAD等
下载遇到问题?可联系客服或反馈
近期文章
家装电器图块燃气集成灶热水器烤箱油烟洗碗机冰箱CAD平立面图库免费下载
家装创意CAD图框A0A1A2A3A4室内设计工装常用图纸模板边框素材免费下载
电玩城娱乐设备图库亲子赛车射击钓鱼摇摆礼品机转马CAD平面图块免费下载
家装室内设计厨房卫生间卧室客厅CAD平面布局图家具组合布置图库免费下载
酒店空间电梯厅大堂吧台天花隔墙CAD节点大样图施工工艺深化图库免费下载
活动卡券
手动复制CDK码使用,先用先得
无
xxxxxxxxx
失效
无
xxxxxxxxx
失效
您可以
马上登录
或
立即注册
本站官方淘宝店:
唐唐设计素材
进淘宝店可单独购买模型图纸